油压是什么意思(液压基础知识大全图文详解)
油压是什么意思(液压基础知识大全图文详解)

什么引起压力?
压力与流量结合产生液压力。液压系统中这种压力来自何方?一些是重力的结果,但是其余的又来自何方?

负载产生压力
大部分压力来自负载本身。以下插图中,泵每时每刻供应着油。泵出的油寻找使它得以通过软管的最小阻力通道,从而作用于油缸。负载重量产生压力,压力的量则取决于负载大小。

平行连接管路中的压力
如果我们将三个不同负载以平行方式与下图所示的同一液压系统连接,油将会找到最小阻力通道,因为油缸 B 需要的压力最低,也就是说最轻负载将首先得到提升,提升最轻负载时,压力将上升到足够大小以提升下一次轻负载;油缸 A 到达其行程终端时,压力上升以提升最重负载。因此油缸 C 将在最后被提升。

工作油缸中的液压力
(1) 惯性定律告诉我们,事物有保持其静止状态的趋势。这就是工作油缸中活塞不作运动的原因之一。

(2) 油缸不作运动的另一原因是在其上作用有负载。

(3) 当泵开始将油推入油缸时,工作活塞和负载阻止油的流动。因此抵抗这种阻力的油压上升了,当这一压力大于使活塞保持在本身位置的力时,活塞便产生运动。

(4) 活塞向上运动时,它提升了负载。作功时必须共同利用压力和流量。这就是液压力的工作原理。

流动
流动
我们曾经说过,流动的任务是使事物运动。记住另一个关键点,—“流量和液压系统作功之间是什么关系?”
答案是,如果流量稳定,液压油缸直径越小,活塞运动速度越快。

流量增大导致速度加快
许多人认为增大压力将加快速度,但是这并不正确。不能通过增大压力来加快活塞运动速度。如果你要使活塞运动加快,必须提高进入油缸内油的流量。

关闭溢流阀不会提高速度
这里有一个例子是关于排除液压系统故障中常见的错误处理方法。油缸速度变缓时,某些机械师会立即调整溢流阀,他们认为增大压力可以提高工作速度;他们试图加大溢流阀设定,以此提高系统的最大压力。但是这样不会提高运动速度。
配备溢流阀的意义在于保护液压系统,防止压力过高。不应该在规定的压力范围内加大压力设定。机械师不应该加大压力设定,而应该从别处寻找系统故障。

第二部分 液压设备
液压系统和能量转换
液压系统
液压系统可用于从一处向另一处传递机械能。可以通过利用压力能完成上述操作。液压泵由机械能驱动。机械能在受压液体中转变成压力能和动能,然后重新变成机械能作功。

转变能量的手段
提供给液压系统的原始能量是来自发动机的机械能,实际上是发动机驱动了液压泵。泵利用这种能量泵出液体,在此过程中,机械能变成了压力能和动能。液体流经液压系统,并朝油缸和马达等执行元件方向流动。液体中的压力能和动能使执行元件产生运动。运动过程中,能量再一次转变成机械能。
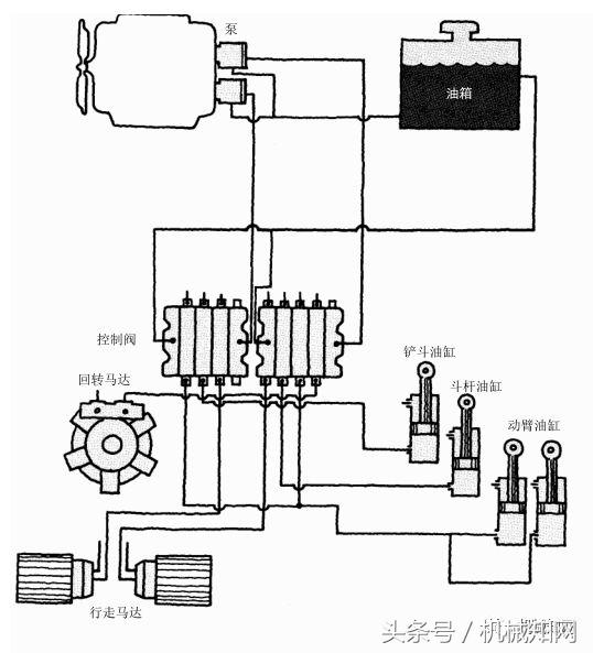
液压挖掘机是如何工作的?
在液压挖掘机中,发动机产生第一机械能,第一机械能带动泵运转。泵使油流出并进入系统。油到达执行元件时,重新在执行元件的运动过程中转变成机械能。挖掘机动臂因此得到提升或下降,铲斗得以运动等等。
液压和工作
工作的三大元素
需要工作时,为了使工作成为可能,必须满足某些条件。必须知道需要多大的力,必须确定完成工作所需的时间,必须考虑工作方向。
工作力、速度和方向三大条件可以放入下图的液压术语之中。

液压部件
基本部件
液压系统中有许多部件。基本装置是泵和执行元件。泵连续将油推出,并把机械能转变成压力能和动能。执行元件是把液压能重新转换成工作所需机械能的系统部件。
除了泵和执行元件之外,液压系统的连续操作当需要以下部件。

油 箱:贮存油
阀 :控制油的流量和流动方向,或限制压力。
连接管路:连接系统的各个部件让我们看一下两种极为简易的液压系统。
例子 1,液压千斤顶
这里你看到的是一台液压千斤顶。把力作用于杠杆时,手动泵使油进入油缸。油压作用在活塞上向上推动,并提升负载。液压千斤顶很像帕斯卡液压杠杆。
这里的油箱加了油。增加了单向阀,使油保持在油箱中,使油缸在泵的行程转换中位置不动。
上图中,负载压力使输出单向阀处于关闭状态。泵手柄向上拉动时,输入单向阀打开,允许油箱中的油注入泵室。
接着,向下推动泵手柄。油压关闭输入单向阀,而打开输出单向阀。这一运动过程中,有较多的油进入油缸,推动活塞向上运动。
下图显示的是打开停止阀,它连接油箱和油缸,这样油可以流回油箱,使活塞降下。

例子 2,液压油缸运行
1. 首先,你拥有一只含有液压油的油箱,液压油提供给泵使用。

2. 下一步,形成油的流动必须有泵,但是泵不能从油箱吸油。重力使油进入泵。

3.泵每次转动时,它将油推出。必须记住的重要一点是泵仅仅移动容量。容量决定液压动作的速度。负载形成压力,泵不产生压力。

4.泵与控制阀间管道相连接。泵出的油流至阀。阀的任务是使油流向油缸或油箱。

5. 系统的下一步是油缸,油缸作实际工作。控制阀有两根油管连接油缸。

6.泵出的油通过控制阀流向活塞底部大腔。负载产生流动阻力,并形生压力。

7.系统似乎很完整,事实上还不够完整。它还需要一种十分重要的零件。我们必须考虑在突然超载或其它故障的情况下,如何保护所有部件免受损坏。即使系统发生故障,泵仍继续转动并向系统供油。
如果泵出的油无处可去,压力便会累积,直至一些零件受损。我们装入一个溢流阀,防止产生损坏。通常,它是关闭的,但是压力达到设定量时,阀门便会打开并允许油流回油箱。

8.油箱、泵、控制阀、油缸、连接管路和溢流阀组成了基本液压系统。所有这些零部件都是必需的。现在,你已经清楚地了解了液压系统的工作过程。


























